產品概述 巴山不銹鋼絲采用 UGITECH、Nippon Steel、TISCO 等全球優質原料,絲徑范圍覆蓋 0.011–5.0 mm,具備優良的耐腐蝕性和機械性能。產品廣泛應用于金屬絲網、防切割手套、紡織用紗線、電子與精密零件等領域。我們可根據客戶需求提供不同牌號、表面處理和力學性能的定制解決方案。
| 化學成分,% | ||||||||||
| ASTM/AISI(US) | DIN/EN | C | Mn | P | S | Si | Cr | Ni | Cu | Mo |
| 304 | 1.4301 | Max-0.08 | Max-2.00 | Max-0.045 | Max-0.030 | Max-1.00 | 18.00-20.00 | 8.00-10.50 | - | |
| 304L | 1.4306 | Max-0.03 | Max-2.00 | Max-0.045 | Max-0.030 | Max-1.00 | 18.00-20.00 | 8.00-12.00 | - | - |
| 316 | 1.4401 | Max-0.08 | Max-2.00 | Max-0.045 | Max-0.030 | Max-1.00 | 16.00-18.00 | 10.00-14.00 | - | 2.00-3.00 |
| 316L | 1.4404 | Max-0.03 | Max-2.00 | Max-0.045 | Max-0.030 | Max-1.00 | 16.00-18.00 | 10.00-14.00 | - | 2.00-3.00 |
| 314 | 1.4841 | Max-0.25 | Max-2.00 | Max-0.045 | Max-0.030 | 1.50-3.00 | 23.00-26.00 | 19.00-22.00 | - | 2.00-3.00 |
| 310S | 1.4845 | Max-0.08 | Max-2.00 | Max-0.045 | Max-0.030 | Max-1.50 | 24.00-26.00 | 19.00-22.00 | - | - |
| 904L | 1.4539 | Max-0.02 | Max-2.00 | Max-0.045 | Max-0.035 | Max-1.00 | 19.00-23.00 | 23.00-28.00 | 1.00-2.00 | 4.00-5.00 |
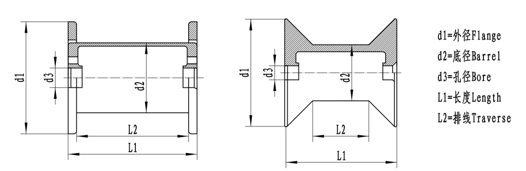
線軸類型結構圖

| 類型:雙直排線軸 | |||||||
| 類型 | 線徑 | d1 | d2 | d3 | L1 | L2 | 最大容量(KG) |
| DIN80-16 | 0.02~0.07 | 80 | 50 | 16 | 80 | 64 | 0.8 |
| DIN80-20 | 0.02~0.07 | 80 | 50 | 20 | 80 | 64 | 0.8 |
| DIN100 | 0.08~0.15 | 100 | 63 | 16 | 100 | 80 | 1.5 |
| DIN125 | 0.08~0.15 | 125 | 80 | 16 | 125 | 100 | 3 |
| DIN160 | 0.15~0.5 | 160 | 100 | 22 | 160 | 128 | 6 |
| DIN200 | 0.2~0.6 | 200 | 125 | 22 | 200 | 160 | 13 |
| 類型:雙斜排線軸參數 | |||||||
| 類型 | 線徑 | d1 | d2 | d3 | L1 | L2 | 最大容量(KG) |
| HK63/45/16 | 0.015~0.018 | 63 | 44 | 16 | 85 | 60 | 0.3 |
| HK80/45/16 | 0.02~0.07 | 80 | 55 | 16 | 100 | 70 | 0.8 |
| HK80/45/20 | 0.02~0.07 | 80 | 55 | 20 | 100 | 70 | 0.8 |
| HK100/59-160 | 0.02~0.07 | 100 | 75 | 59 | 160 | 92 | 2 |
| HK100/25-160 | 0.02~0.07 | 100 | 75 | 25 | 160 | 92 | 2 |
| HK115 | 0.02~0.07 | 115 | 90 | 25 | 138 | 75 | 2 |

不銹鋼絲直徑偏差、橢圓度偏差及力學性能
|
絲徑類別 |
絲材直徑 (d/mm) |
直徑偏差 (mm) |
抗拉強度(N/mm2) |
延伸率≥ (%) |
|
| 304、304L | 316、316L | ||||
|
粗絲 Coarse Wire |
1.120~1.600 | ±0.015 | 650~800 | 600~750 | 35 |
| 0.710~1.000 | ±0.010 | 650~830 | 600~780 | 35 | |
| 0.450~0.630 | ±0.008 | 670~850 | 620~800 | 33 | |
| 0.280~0.400 | ±0.006 | 700~890 | 650~820 | 32 | |
| 0.20~0.250 | ±0.004 | 720~890 | 650~820 | 32 | |
| 0.112~0.160 | ±0.003 | 720~900 | 650~820 | 29 | |
| 0.09~0.100 | -0.002~+0.003 | 750~950 | 650~880 | 25 | |
| 絲徑類別 |
絲材直徑 (d/mm) |
直徑偏差 (mm) |
抗拉強度(N/mm2) |
延伸率≥ (%) |
|
| 304、304L | 316、316L | ||||
|
細絲 Fine Wire |
0.071~0.08 | -0.002~+0.003 | 750~950 | 650~880 | 25 |
| 0.06 | -0.002~+0.003 | 750~950 | 660~880 | 24 | |
| 0.05 | ±0.002 | 750~950 | 660~880 | 24 | |
| 0.04 | ±0.002 | 750~1000 | 660~880 | 24 | |
| 0.035 | ±0.002 | 750~1000 | 660~880 | 24 | |
| 0.03 | ±0.002 | 750~1000 | 660~880 | 24 | |
| 0.025 | ±0.001 | 750~1000 | 660~880 | 24 | |
| 0.02 | ±0.001 | 750~1000 | 660~880 | 23 | |
|
超細絲 Ultra-fine Wire |
0.018 | ±0.001 | 1000~1300 | 700~900 | 22 |
| 0.015 | ±0.001 | 1000~1300 | 700~900 | 20 | |
推薦應用
相關推薦
返回頂部
掃一掃 關注我們